10*10mm 4X1直角型-RI407
详情
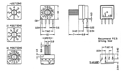
| 序号 | *型号 | *额定电压 | *额定电流 | *端子排布 | *封装 | *操作方向 | *操作部 | *输出码 | 工作温度 |
| 1 | RI40710 | 24VDC | 0.5A | 4x1 | 直插式 | 侧边 | 高7.0 mm | BCD 7位 | -25-70°C |
| 2 | RI40711 | 24VDC | 0.5A | 4x1 | 直插式 | 侧边 | 高7.0 mm | BCD 8位 | -25-70°C |
| 3 | RI40712 | 24VDC | 0.5A | 4x1 | 直插式 | 侧边 | 高7.0 mm | BCD 10位 | -25-70°C |
| 4 | RI40714 | 24VDC | 0.5A | 4x1 | 直插式 | 侧边 | 高7.0 mm | BCD 16位 | -25-70°C |
| 5 | RI40731 | 24VDC | 0.5A | 4x1 | 直插式 | 侧边 | 高7.0 mm | BCD-Compl. 10位 | -25-70°C |
| 6 | RI40733 | 24VDC | 0.5A | 4x1 | 直插式 | 侧边 | 高7.0 mm | BCD-Compl. 16位 | -25-70°C |
| 7 | RI40700 | 24VDC | 0.5A | 4x1 | 直插式 | 侧边 | 高7.0 mm | 其它 | -25-70°C |
PLAIMAE旋转DIP开关,PLAIMAE旋转编码开关,PLAIMAEBCD8421拨码开关,PLAIMAE旋转数字编码开关,PLAIMAE数字开关,PLAIMAE数字BCD开关,PLAIMAE8421编码开关,PLAIMAE8421旋转开关,PLAIMAEROTARYDIP开关,HAMPOLT旋转DIP开关,HAMPOLT旋转编码开关,HAMPOLTBCD8421拨码开关,HAMPOLT旋转数字编码开关,HAMPOLT数字开关,HAMPOLT数字BCD开关,HAMPOLT8421编码开关,HAMPOLT8421旋转开关,HAMPOLTROTARYDIP开关,普莱美旋转DIP开关,普莱美旋转编码开关,普莱美BCD8421拨码开关,普莱美旋转数字编码开关,普莱美数字开关,普莱美数字BCD开关,普莱美8421编码开关,普莱美8421旋转开关,普莱美ROTARYDIP开关
产品分类
- ALPS-阿尔卑斯
- APEM-阿贝
- C-KSwitch
- ★C&K
- Carling-嘉灵
- CTS-西迪斯
- ★DAILYWELL-德利威
- DICGU
- ★DIPTRONICS-圜达
- ECE-百容
- E-SWITCH
- ★GangYuan-港源
- ★Hampolt/plaimae
- HARTMANN
- HIGHLY-海立
- HONGJU-宏聚
- HUANLI-寰立
- HRO-韩荣
- ITW/LUMEX-安天德
- JICTEN
- ★JIETONG
- ★KE-广督
- ★KNLN-金隆
- Light Country-亮群
- MEC
- ★T-MEC(Misaki)-美琪
- NIDEC-COPAL
- ★NKK-日开
- ★OMRON-欧姆龙
- OTAX
- SAB(BIWIN)
- ★SALECOM-兴瀚
- SMK-艾斯艾姆开
- ★SMSWITCH-艾斯艾姆
- SUNGMUN-星炆
- TACLEX
- WB-雄美
- XKB
- YONGXING-永星
- ZF
- ZINGEAR-晋煜
- ★ZIPPY-新巨
- 产品分类
联系方式
上海思维驰机电科技有限公司 电话:021-34291916
手机:13917138067 邮箱:xp@xuanpu.top
